81240 M
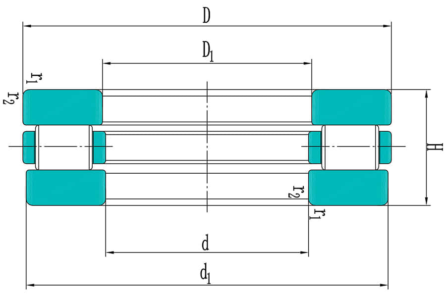
- Innendurchmesser:
- 200 mm
- Außendurchmesser:
- 280 mm
- Breite:
- 62 mm
- Masse:
- 13.5 kg

Das Bild kann vom Produkt abweichen. Weitere Informationen finden Sie in den technischen Daten.
Spezifikationen
- 81240 M
Beschreibung
QIBR - 81240 M Axialrollenlager Vorteile und Anwendungen
81240 M Axialrollenlager, hohe axiale Tragfähigkeit, geringe Reibung, Bore ist 200 mm, Outer diameter (D) ist 280 mm, Height (H) ist 62 mm, Mass ist 13.5 kg. Es ist geeignet für Autokupplungen, Getriebe und Laufradhalterungen von Lüftern usw. und ist das am häufigsten verwendete Lager mit hoher axialer Tragfähigkeit.
QIBR - 81240 M Axialrollenlager Eigenschaften
81240 M Axialrollenlager, lange Lebensdauer, hohe Kosteneffizienz. 81240 M Axialrollenlager, kann unidirektionalen oder bidirektionalen Axiallasten und einem bestimmten Kippmoment standhalten und eignet sich für mechanische Geräte mit hohen Leistungsanforderungen.
Merkmale und Vorteile der 81240 M Axialrollenlager
Zulässiger Schiefstellungsfehler: Axialrollenlager sind selbstausrichtend und können daher Schiefstellungen tolerieren.
Tragfähigkeit: Durch die hervorragende Passung zwischen den Rollen und der Laufbahn kann das Lager schwere axiale Belastungen aufnehmen und gleichzeitig einige radiale Belastungen ausgleichen.
Hochgeschwindigkeitsfähigkeit: Durch die Käfigkonstruktion und die gute Passung zwischen den Rollen und der Laufbahn sind diese Lager für relativ hohe Geschwindigkeiten geeignet.
Geringe Reibung: Durch die Optimierung des Kontakts an den Rollenstirnflächen wird die Reibungswärmeentwicklung bei Hochgeschwindigkeitsbetrieb auf einem niedrigen Niveau gehalten.
Lange Lebensdauer: Das spezielle Rollenprofil reduziert die Kantenspannungen an den Kontaktpunkten zwischen den Rollen und der Laufbahn.
Anwendung: Axialrollenlager werden häufig in Werkzeugmaschinen, in der Luft- und Raumfahrt, in der Metallurgie und im Bergbau, in Schwermaschinen, in der Automobilindustrie, in landwirtschaftlichen Maschinen und in Kraftmaschinen eingesetzt.
Optimierung der QIBR - 81240 M Axialrollenlager
Leistungsstarke Materialien: Geeignete Materialien können je nach Kundenanforderungen ausgewählt werden, z. B. 52100, 100Cr6, SUJ2 usw.
Käfigauswahl: Kunden können je nach Anwendungsbedarf aus verschiedenen Käfigmaterialien wählen, darunter bearbeitete Messingkäfige, Käfige aus gestanztem Stahl mit Fenster und bearbeitete Kupferkäfige.
Schmierfettauswahl: Schmierstoffe können je nach den Betriebsanforderungen der Lager ausgewählt werden, z. B. SKF LGET 2 oder Shell Gadus S5 V142W 00.
Weitere Anpassungen: QIBR kann Axialkugellager entsprechend den Nutzungsbedingungen und Anforderungen des Kunden entwerfen und optimieren.
Qualitätskontrolle der QIBR - 81240 M Axialrollenlager
Maßmessung: Es werden verschiedene hochpräzise Instrumente verwendet, um mehrere Abmessungen der Lager zu messen, wobei die maximale Präzision von 0,001 mm erreicht wird.
Rotationsgenauigkeit: Kleine Oberflächenfehler oder -abweichungen werden mit einem Mikrometer mit einer Messgenauigkeit von bis zu 0,001 mm gemessen.
Härtemessung: Die Oberflächenhärte wird mit einem Härteprüfer mit einer Genauigkeit von bis zu ±0,5 HRC gemessen.
Metallografische Analyse: Die interne metallografische Struktur von Metallen wird mit einem professionellen metallografischen Mikroskop analysiert.
Geometrische Toleranz: Die Geometrie und die relative Position des Lagers werden mit einem Profilprojektor gemessen.
Geräuschüberwachung: Die Vibrationen während des Betriebs werden mit einem Vibrationsmessgerät für Geräuschdaten überwacht.
Rohstoffkontrolle: Stahl und Teile werden von nach ISO 14001 zertifizierten Lieferanten bezogen, um die Produktstabilität zu gewährleisten und gleichzeitig nachhaltige Entwicklung zu fördern.
Merkmale und Vorteile
Axialrollenlager nehmen nur axiale Lasten auf.
Herunterladen